Rubber Antivibrator



|
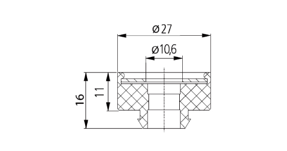
AMORT shock absorber is used in suspension systems of ventilation ducts, it is made of EPDM rubber and has a pad made of galvanized sheet.
The purpose of the AMORT shock absorber is to dampen vibrations and vibrations.
|

0086-571-81603539







Online



