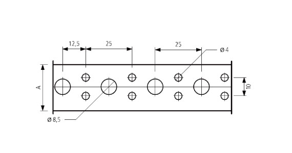
Multihole Suspension Band



| Type | A(mm) | thickness(mm) | length(m) |
| MSB17-0.6 | 17 | 0.6 | 25 |
| MSB20-0.6 | 20 | 0.6 | 25 |
| MSB25-0.6 | 25 | 0.6 | 25 |
| MSB25-0.8 | 25 | 0.8 | 25 |
|
Made of gavalized perforated steel with assorted holes,which according to the type selected,allow fixing of threaded rods,threaded clamps,bolts,etc.
The small holes can be used with rivets,screws or nails
|

0086-571-81603539







Online



